010 8211 2760
sales@voiiov.cn 诚信12年LED电子显示屏全体组装起来不容易,就如同配置一款组装的电脑一样,甚至LED电子显示屏组装起来更复杂,更多要去注意的步骤。
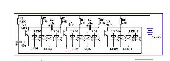
LED电子显示屏全体组装起来不容易,就如同配置一款组装的电脑一样,甚至LED电子显示屏组装起来更复杂,更多要去注意的步骤。它是由很多块模组连接起来的,而模组就是由许多的灯珠组装的,这其中的步骤是一环接着一环,环环都要小心,否则LED电子显示屏效果就会产生影响。
下面主要介绍四种LED电子显示屏连接形式:
第一、整体串联形式:一般简单的串联连结方式中的LED1-n、首尾相连,LED显示屏工作时流过的电流相等。另一种就是带旁路的串联连结方式为1.1的改进方式。

第二、整体并联形式:一种是简单的并联形式,另一种是独立匹配的并联形式。简单并联方式中的LED1-n首尾并联,工作时每个LED上承受的电压相等。这种可靠性不高,不过也争对这问题采取了独立匹配的并联形式,具有驱动效果好、单个LED显示屏保护完整,故障时不影响其它的工作、可以匹配具有较大差异等特点。

第三、混联形式:由上诉说的并联和串联各自提出的优点综合.也包括2种。一种是先串后并的混联方式,另一种是先并后串的混联方式。

第四、交叉阵列形式:交叉阵列形主要是为了提高LED显示屏工作的可靠性,降低故障率提出来的。
LED显示屏连接方式多种多样,每个步骤不容许有连接错误,因此这对于工程技术人员是必须要去了解的,以上四种连接形式各有个的优劣势,具体问题具体分析,最终找到自己适合连接LED显示屏形式。许多工程技术人往往忽略这点,导致LED显示屏出现各种各样的问题,最终让客户对公司失去了信心。
免责声明:部分文章信息来源于网络以及网友投稿,本网站只负责对文章进行整理、排版、编辑,是出于传递 更多信息之目的,并不意味着赞同其观点或证实其内容的真实性,如本站文章和转稿涉及版权等问题,请作者在及时联系本站,我们会尽快处理。













